Zum Hauptinhalt springen Zur Suche springen Zur Hauptnavigation springen
Beratung Mo-Fr 9-14 Uhr:  +49 33971 605000
Fachhandel für IBC Zubehör & Systeme
Alle Artikel sofort lieferbar
IBC EXPRESS-Lieferung Mo-Fr in 48h

PP Übergangsmuffe Klemmverbindung x Außengewinde

Alle Varianten als Tabelle:
Trusted Shops zertifiziert
Kauf auf Rechnung
Pakteversand innerhalb der EU
Schnelle & sichere Lösung
Sie haben Fragen zu unseren Containern, Zubehör oder Ähnlichem?
Sie erreichen uns von Mo. bis Fr. 9-14 Uhr
Wir versenden unsere Artikel per DHL-Paket oder Spedition in folgende Länder:

Produktinformationen "PP Übergangsmuffe Klemmverbindung x Außengewinde"

PP Klemm Fitting Anschlussmuffe x Außengewinde mit Klemme, Schließring, Sicherheitsring NBR Dichtung (O-Ring)

Material: PP (Polypropylen)
Dichtung: NBR (Acrylnitril-Butadien-Kautschuk)
Größe: 20mm x 1/2" AG, 20mm x 3/4" AG, 25mm x 1" AG, 25mm x 3/4" AG, 32mm x 1" AG, 32mm x 3/4" AG, 40mm x 1 1/2" AG, 40mm x 1 1/4" AG, 40mm x 1" AG, 40mm x 2" AG, 50mm x 1 1/2" AG, 50mm x 2" AG
Temperatur: -40°C bis +60°C
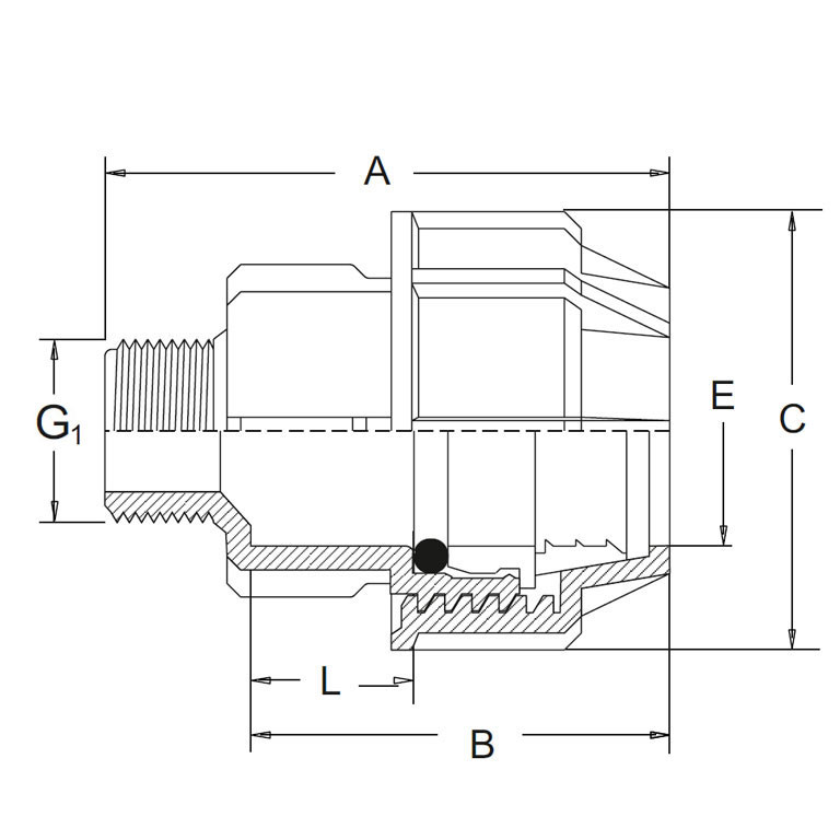
A: 68, 69,5, 72,5, 75, 77,5, 81,5, 90,5, 96, 102,5, 104, 108, 122,5
Arbeitsdruck (PN): max. 10 bar
B: 49,5, 51,5, 53, 54, 60,5, 63,5, 65, 83
C: 47, 53, 63, 74,5, 90,5
E: 21, 26,5, 33,5, 41, 51
G1 (Außen Ø in mm): 1 1/2" (47,81mm), 1 1/4" (41,91mm), 1" (33,25mm), 1/2" (20,95mm), 2" (59,61mm), 3/4" (26,44mm)
Gewindeart: BSP (British Standard Pipe)
L: 17,5, 19, 20, 21, 21,5, 22,5, 23, 28,5
Merkmal: ISO 14236

Informationen zur Produktsicherheit
Hersteller/EU Verantwortliche Person

REKUBIK GmbH
Leddiner Weg 36
16866 Kyritz
Deutschland
shop@rekubik.de

Bitte beachten Sie vor der Bestellung die Hinweise bezüglich der Gewindegröße:

Zollangaben Rohrmaße - 1" sind nicht 25,4mm Außendurchmesser

Die Maßangaben in Zoll für Rohre gehen weit in das 20. Jahrhundert zurück, damals war der Wert von Innendurchmesser von Bedeutung, nicht der Außendurchmesser vom Gewinde. So hatte ein 1 Zoll Rohr eine lichte Weite von 25,4mm und einen Außendurchmesser von ca. 33mm. Nun hat sich im Laufe der Zeit die Stahlqualität verbessert und man konnte Rohrwandungen mit einer geringeren Stärke herstellen. Folglich veränderte sich immer mehr das Innen- und Außenmaß, und es gibt leider keinen festen Umrechnungsfaktor auf die heutigen DIN/ISO Maße.

Nachfolgend erhalten sie eine Übersicht der Gewindegrößen und deren Angaben in mm. Bedingt durch Material und Gewinde können diese minimal abweichen. Um Ihr passendes Gewinde zu definieren, messen Sie bitte den Außen und Innendurchmesser und vergleichen Ihre Werte mit der Tabelle.

G (BSP)

Aussen Ø in mm

Innen Ø in mm

G 3/8"

16,66

15,00

G 1/2"

20,95

18,70

G 3/4"

26,44

24,20

G 1"

33,25

30,30

G 1 1/4"

41,91

39,00

G 1 1/2"

47,81

44,90

G 2"

59,61

56,70

G 2 1/2"

75,18

72,23

G 3"

87,88

84,93

G 3 1/2"

103,33

98,01

G 4"

113,03

110,08

Außendurchmesser nach DIN EN ISO 228-1 und DIN 2999.

Sollten Sie Fragen zum Artikel PP Übergangsmuffe Klemmverbindung x Außengewinde haben, nutzen Sie bitte unser Anfrage-Formular.
Für die Darstellung des Artikelbildes verwenden wir eine zufällig gewählte Artikelgröße als Beispielabbildung. Die Abbildungen, technischen Daten, Maßangaben in Millimeter, Gewichtsangaben in Gramm und Ausführungen sind somit unverbindlich. Die eigentliche Definition und der Verwendungszweck des Artikels sowie die Nutzmaße sind ausschließlich der Darstellungsunterstützung von uns bereitgestellt. Wir behalten uns jederzeit Änderungen ohne Ankündigung vor.

Ihr WhatsApp Kontakt zum

Kundensupport

von REKUBIK

avatar
Kundensupport 0 1633310010
Sie benötigen WhatsApp um diesen Service nutzen zu können. Sollten Sie kein WhatsApp haben, nutzen Sie bitte unser Kontaktformular