Zum Hauptinhalt springen Zur Suche springen Zur Hauptnavigation springen
Beratung Mo-Fr 9-14 Uhr:  +49 33971 605000
Fachhandel für Gewerbe & Endkunden
Alle Artikel sofort lieferbar
IBC EXPRESS-Lieferung Mo-Fr in 48h

IBC Edelstahl Adapter S60x6 - Tri-Clamp Teller DIN32676 (SS316L)

Alle Varianten als Tabelle:
Trusted Shops zertifiziert
Kauf auf Rechnung
Pakteversand innerhalb der EU
Schnelle & sichere Lösung
Sie haben Fragen zu unseren Containern, Zubehör oder Ähnlichem?
Sie erreichen uns von Mo. bis Fr. 9-14 Uhr
Wir versenden unsere Artikel per DHL-Paket oder Spedition in folgende Länder:

Produktinformationen "IBC Edelstahl Adapter S60x6 - Tri-Clamp Teller DIN32676 (SS316L)"

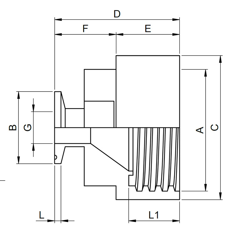
IBC Adapter S60x6 Innengewinde aus Edelstahl V4A (1.4404) – SS316L mit Clampteller nach DIN 32676 ohne Dichtung.

Das S60x6 Gewinde ist auch bekannt als DN50, NW50 oder DIN61. Der Außendurchmesser (gemessen mit Gewinde) ist ca. 60mm. Das Grobgewinde ist deutlich an der Gewindesteigung von 6mm und 3-4 Gewindegängen zu erkennen. Beachten Sie die Auswahlmöglichkeiten bezüglich der Größe vom Clamp-Teller Durchmesser.

Passende Dichtungen für das IBC Gewinde S60x6 bieten wir Ihnen aus dem Werkstoff EPDM und NBR an.

Material: Edelstahl V4A (1.4404), SS316L
Armaturgröße: S60x6 (60mm) Grobgewinde
Größe: 34mm, 50,5mm, 64mm, 91mm
Ausgangsgröße: Clamp-Teller
A: 59,8
Arbeitsdruck (PN): max. 25 bar
B: 34, 50,5, 64, 91
C: 68, 69, 70,2
D: 58,6, 61,1, 65,5
E: 29, 54,9
F: 30, 32,1, 36,8
G: 15, 25,8, 49,6, 65,7
L: 3
L(1): 24,5
SW: 49,1, 50,8, 54,8, 65
Zolltarifnummer: 73072980

Informationen zur Produktsicherheit
Hersteller/EU Verantwortliche Person

REKUBIK GmbH
Leddiner Weg 36
16866 Kyritz
Deutschland
shop@rekubik.de

Mit den IBC Adaptern von REKUBIK haben Sie die Möglichkeit, Ihren IBC (Intermediate Bulk Container) schnell auf die gewünschte Ausgangsnorm zu bringen. An dieser Stelle empfehlen wir Ihnen, auf die jeweiligen Armaturen in Form der Grafik zu klicken, um die passenden IBC Adapter angezeigt zu bekommen oder wählen Sie ihr gesuchtes Produkt über die Filterfunktion unseres Shops aus.

Ein Großteil der am Markt befindlichen IBC Container besitzt einen Auslaßhahn mit S60x6 Grobgewinde oder auch bekannt als DN 50 oder NW50, DIN61 oder S60. Der Außendurchmesser (gemessen mit Gewinde) ist ca. 60 mm. Das Grobgewinde ist deutlich zu erkennen mit einer Gewindesteigung von 6 mm.

S60x6-Grobgewinde

Größe/Bezeichnung: 

S60X6 DN50 (2”) Grobgewinde 
D1:60mm (2.36”) mit Gewinde
P1:6mm (0.24”) Gewindesteigung
Standard:DIN 6131

zum passenden Zubehör...

Ein durchwachsener  Anteil der am Markt befindlichen IBC Container besitzt einen Auslaßhahn mit 2" BSP Gewinde teilweise auch Feingewinde genannt. Wie man hier merkt sind die Benennungen sehr breit gefächert. Wichtig ist an dieser Stelle die Information, das die Adapter mit 2" BSP Innengewinde passen NICHT auf Auslaufarmaturen des Herstellers SCHÜTZ, mit weißem Verschlußdeckel und kurzem 2" BSP Feingewinde. Wenn Sie einen IBC (Intermediate Bulk Container) von SCHÜTZ mit langem Feingewinde (Verschlußdeckel i.d. Regel als weiße Überwurfmutter mit roter Scheibe) passen die 2" BSP Adapter.d. Auch für diese kleine Produktreihe bietet REKUBIK eine Auswahl hochwertiger Anschluß Adapter.

BSP-2-Zoll-Feingewinde

Größe/Bezeichnung: 

2" BSP Feingewinde
D1:
 59,4mm (2.34”) mit Gewinde
P1: 2.3mm (0.09” 11 TPI) Gewindesteigung
Standard: BS 2779 : 1986

zum passenden Zubehör...

Ein kleiner Teil der am Markt befindlichen IBC Container besitzt einen Auslaßhahn mit S100x8 Grobgewinde DN 80, teilweise auch NW 80 genannt. Wie man hier merkt sind die Benennungen sehr breit gefächert. Wichtig ist an dieser Stelle die Information, dass dies etwa ca. 100mm Außendurchmesser (gemessen mit dem Gewinde) sind. Auch für diese kleine Produktreihe bietet REKUBIK eine Auswahl hochwertiger Anschluß Adapter.

S100x8-DN80-3-Zoll-Grobgewinde

Größe/Bezeichnung: 

S100x8 DN80 (3") Grobgewinde
D1:
 100mm (3.82” - 3.94”) mit Gewinde
P1: 8mm (0.32”) Gewindesteigung
Standard: N/A

zum passenden Zubehör...

Die bekannten Camlock-Kupplungen oder auch Camlock-Sicherheits-Kupplungen kommen hauptsächlich in der Industrie vor. Diese Camlock Stecker und Camlock Dosen sind Schnellkupplungen zur Verbindung von Schlauch- und Rohrleitungen. Weltweit werden Camlock-Industriekupplungen (Synonym: Hebelarmkupplungen, siehe seitliche Hebel) nach der amerikanischen "Military Specification" MIL-C-27487 gefertigt, in der nur die Kupplungsseite, nicht aber die Anschlusseite festgelegt ist. Sie erkennen einen Camlock Anschluß an dem kurzen Gewinde (63mm Feingewinde; 2 1/8") und einer dahinter liegenden Welle bzw. Lippe. Dieser wird Stecker, auch Vaterkupplung, genannt. Hinter dem Stecker (Vertiefung rund um den Hahn) greift die Verriegelung der Kamlok Dose (Mutterkupplung).

2-Zoll-Camlock-Hebelarmkupplung

Größe/Bezeichnung: 

2" Camlock Gewinde mit 2 1/8” BSP Feingewinde
D1:
 63mm (2.48”) (62.7mm (2.47”) mit Gewinde
P1: 2.3mm (0.09” 11 TPI) Gewindesteigung
Standard: Camlock- A-A-59326 : 1992

zum passenden Zubehör...

Auf dem deutschen Markt ist die Größe M80x3 (Feingewinde) eine absolute Seltenheit. Wir möchten unseren Kunden trotzdem den seltenen IBC Adapter nicht vorenthalten um eine Reduzierung auf Standard Norm in dem Fall auf S60x6 Grobgewinde zu ermöglichen.

M80x3-Feingewinde

Größe/Bezeichnung: 

M80x3 Feingewinde
D1:
 80mm (3.15”) mit Gewinde
P1: 3mm (0.12”) Gewindesteigung
Standard: NISO 68 (ANSI B1.13M)

zum passenden Zubehör...

Sollten Sie Fragen zum Artikel IBC Edelstahl Adapter S60x6 - Tri-Clamp Teller DIN32676 (SS316L) haben, nutzen Sie bitte unser Anfrage-Formular.
Für die Darstellung des Artikelbildes verwenden wir eine zufällig gewählte Artikelgröße als Beispielabbildung. Die Abbildungen, technischen Daten, Maßangaben in Millimeter, Gewichtsangaben in Gramm und Ausführungen sind somit unverbindlich. Die eigentliche Definition und der Verwendungszweck des Artikels sowie die Nutzmaße sind ausschließlich der Darstellungsunterstützung von uns bereitgestellt. Wir behalten uns jederzeit Änderungen ohne Ankündigung vor.
Produktgalerie überspringen

Zubehör

IBC S60x6 DN50 NBR Dichtung EU1935/2004
IBC S60x6 DN50 NBR Dichtung - geeignet für 2" IBC Adapter. Die Lebensmittelsicherheit ist gemäß EU-Rahmenverordnung (EU) 1935/2004/EG erfüllt. D=55mm; DN=45,6mm,…
2,49 €*

Lieferzeit 1-2 Werktage (Versand mit DHL Paket)

IBC S60x6 DN50 EPDM Dichtung EU1935/2004
IBC S60x6 DN50 EPDM Dichtung - geeignet für 2" IBC Adapter. Die Lebensmittelsicherheit ist gemäß EU-Rahmenverordnung (EU) 1935/2004/EG erfüllt. D=55mm; DN=45,6mm,…
3,29 €*

Lieferzeit 1-2 Werktage (Versand mit DHL Paket)

Produktgalerie überspringen

Ähnliche Artikel

IBC Edelstahl Adapter S60x6 - Außengewinde Reduzierung (SS316L)
IBC Adapter S60x6 Innengewinde aus Edelstahl V4A (1.4404) – SS316L mit BSP Außengewinde ohne Dichtung. Das S60x6 Gewinde ist auch bekannt als DN50, NW50 oder DIN61.…
Ab 59,99 €*

Lieferzeit 1-2 Werktage (Versand mit DHL Paket)

IBC Edelstahl Adapter S60x6 - Innengewinde Reduzierung (SS316L)
IBC Adapter S60x6 Innengewinde aus Edelstahl V4A (1.4404) – SS316L mit BSP Innengewinde ohne Dichtung. Das S60x6 Gewinde ist auch bekannt als DN50, NW50 oder DIN61.…
Ab 54,99 €*

Lieferzeit 1-2 Werktage (Versand mit DHL Paket)

IBC Edelstahl Adapter S60x6 - Camlock Stecker VT (SS316L)
IBC Adapter S60x6 Innengewinde aus Edelstahl V4A (1.4404) – SS316L mit Kamlock Stecker Vaterteil ohne Dichtung. Das S60x6 Gewinde ist auch bekannt als DN50, NW50…
Ab 89,99 €*

Lieferzeit 1-2 Werktage (Versand mit DHL Paket)

Ihr WhatsApp Kontakt zum

Kundensupport

von REKUBIK

avatar
Kundensupport 0 1633310010
Sie benötigen WhatsApp um diesen Service nutzen zu können. Sollten Sie kein WhatsApp haben, nutzen Sie bitte unser Kontaktformular